Өнімдер
Айналмалы тексеру клапаны
  • Айналмалы тексеру клапаныАйналмалы тексеру клапаны

Айналмалы тексеру клапаны

Jinqiu Valve сапалы бұрылмалы тексеру клапанын, бір жақты клапан немесе тексеру клапаны ретінде белгілі автоматты клапанды шығарады. Оның функциясы құбырдағы ортаның кері ағып кетуіне жол бермеу, сұйықтықтың бір бағытта ағуына мүмкіндік береді. Ол құбыр жүйесін зақымдауы мүмкін кері ағынды (қайтару ағынын) тиімді болдырмайды. Клапан ортаның кері ағып кетуіне жол бермеу үшін оның ашылатын және жабылатын компоненттерін ортаның ағыны мен күші арқылы ашады немесе жабады.
Jinquan Valve is a high-tech enterprise integrating valve product research, production, sales, and service. As an H44H and H44Y type PN16 ~ PN250 swing check valves supplier, our customized swing check valves are suitable for pressures of 1.6 ~ 25MPa, working temperatures of -29 ~ +550 ℃, and are applicable to pipeline conditions in the petroleum, chemical, pharmaceutical, fertilizer, power industries, and other environments. Applicable media include water, oil, steam, acidic media, and so on. We have been operating in the valve manufacturing field for over twenty years. With our experience, we have won high praise from the market for our reasonable prices, high quality, and attentive service.

1. Автоматты түрде ашу және жабу: айналмалы тексеру клапаны медиа ағынының күшіне байланысты автоматты түрде ашылады және жабылады. Тасымалдағыш көрсетілген бағытта ағып жатқанда, клапан дискі итеріліп ашылады, ал клапан ашылады. Тасымалдағыш ағуды тоқтатқанда немесе кері ағып жатқанда, клапан дискі өз салмағымен немесе серіппелі күшпен жабылып, кері ағынды болдырмайды. Автоматты басқаруға қол жеткізе отырып, қолмен жұмыс істеу қажет емес.
2. Сенімді нығыздау: клапан дискі мен орындықтың тығыздағыш беттері әдетте дәнекерленген темір негізіндегі қорытпадан немесе тозуға төзімді, ыстыққа төзімді, коррозияға төзімді және сызаттарға жақсы төзімді Стеллит кобальт негізіндегі қатты қорытпадан жасалған. Бұл ұзақ мерзімді тұрақты тығыздау әсерін қамтамасыз етеді және баспа құралдарының ағып кетуін тиімді болдырмайды. 3. Кедергісіз ағын арнасы: Ағын арнасы ұтымды жобаланған, нәтижесінде сұйықтық кедергісі төмен болады. Тасымалдағыш бұрылмалы тексеру клапанынан біркелкі өтіп, қысымның жоғалуын және энергия шығынын азайтады.

Өнімділік параметрлері

үлгі H44H-16C~250 H44W-16P~250
Жұмыс қысымы (МПа) 1,6~25
тиісті температура (℃) ≤425 ≤550
Сәйкес медиа Су, бу, май Әлсіз коррозиялық орта
материал Корпус, капот, диск Көміртекті болат Хром никель-титан тот баспайтын болат
Тығыздау беті Көміртекті болат бетін жабатын темір негізіндегі қорытпалар Дене тығыздалған

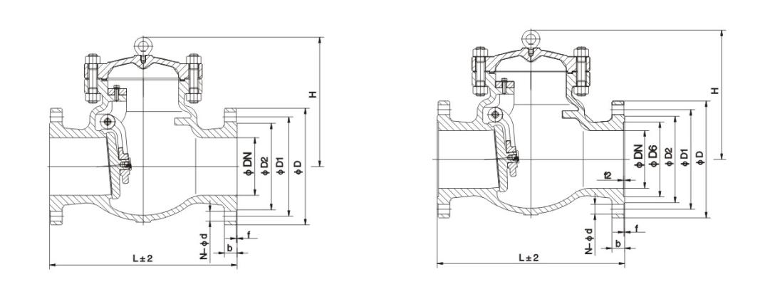
Негізгі пішіні және байланыс өлшемдері

Номиналды диаметрDN Негізгі өлшемдер және қосылым өлшемдері
L D D1 D2 b З-д H
H44H-16C H44W-16C H44W-16P H44W-16R H44W-16I
25 160 115 85 65 16 4-14 100
32 180 135 100 78 16 4-18 105
40 200 145 100 85 16 4-18 115
50 230 160 125 100 16 4-18 135
65 290 180 145 120 18 4-18 142
80 310 195 160 135 20 8-18 165
100 350 215 180 155 20 8-18 180
125 400 245 210 185 22 8-18 210
150 480 280 240 210 24 8-23 233
200 500 335 295 265 26 12-23 304
250 550 405 355 320 30 12-25 348
300 650 460 410 375 30 12-25 390
350 750 520 470 435 34 16-25 430
400 850 580 525 485 36 16-30 468
H44H-25 H44W-25 H44W-25P H44W-25R H44W-25I
25 160 115 85 65 16 4-14 100
32 180 135 100 78 16 4-18 105
40 200 145 110 85 16 4-18 115
50 230 160 125 100 20 4-18 160
65 290 180 145 120 22 8-18 175
80 310 195 160 135 22 8-18 185
100 350 230 190 160 24 8-23 220
125 400 270 220 188 28 8-25 248
150 480 300 250 218 30 8-25 276
200 550 360 310 278 34 12-25 350
250 650 425 370 332 36 12-30 410
300 750 485 430 390 40 16-30 430
350 850 550 490 448 44 16-34 518
400 950 610 550 505 48 16-34 560

Құрылым суреті

Hot Tags: Айналмалы тексеру клапаны, Қытай, теңшелген, сапалы, берік, жетілдірілген, өндіруші, жеткізуші, зауыт, қоймада
Сұрау жіберу
Байланыс ақпараты
  • Мекенжай

    №1, Солтүстік 1-жол, тот баспайтын болаттан жасалған жаңа қала, Леконг болат әлемінің батыс жолы, Шунде ауданы, Фошан қаласы, Гуандун провинциясы, Қытай

  • Электрондық пошта

    jinqiufamen@gmail.com

Қақпа клапандары, глобус клапандары және тексеру клапандары немесе бағалар тізімі туралы сұраулар үшін бізге электрондық поштаңызды қалдырыңыз, біз 24 сағат ішінде байланысамыз.

X
Біз cookie файлдарын сізге жақсырақ шолу тәжірибесін ұсыну, сайт трафигін талдау және мазмұнды жекелендіру үшін пайдаланамыз. Осы сайтты пайдалану арқылы сіз cookie файлдарын пайдалануымызға келісесіз. Құпиялылық саясаты
Қабылдамау Қабылдау